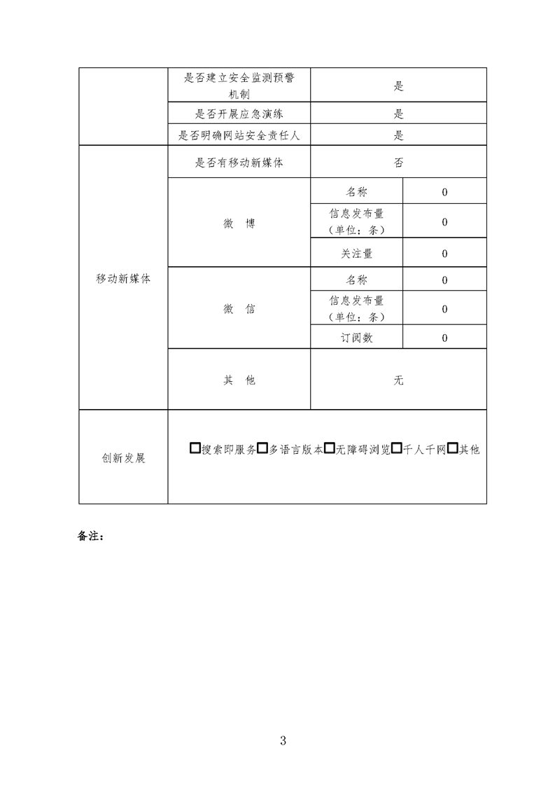
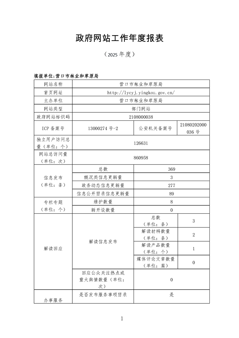
当前位置:首页 > 政务公开
发布机构:林业和草原局
发布日期:2026-01-12
成文日期:2026-01-12
发文字号:
主题分类:农业、林业、水利
体裁分类:其他
公开类型:主动公开
发布时间:2026-01-12
【字号: 大 中 小 】
分享: